电话:0731-86980198
手机:0731-86980198
传真:
邮箱:1206667788@qq.com
地址:长沙市经济技术开发区黄兴大道南段57号星为·创芯园
作者:admin 日期:2018-05-24 点击数:1050
交流变频调速技术发展至今已有30多年的历史。由低压变频器构成的交流调速系统,因其技术上的不断创新,使系统在性能上不断地完善,并在电气传动领域挑战直流调速系统,已得到了广泛的应用。现在,中压变频技术在发达国家已经成熟,随着新的电力电子器件的不断出现,新的变换技术层出不穷,使得其得到更加广泛的推广应用。中压大功率调速领域采用交流变频调速已是其发展的趋势。这是因为中压大功率(315kW以上)的交流调速系统无论是在性能上,还是在价格上都优于直流系统。中压变频技术泛指3kV、6kV、10kV三个电压等级领域的变频技术。为实现对中压大功率交流电动机的变频调速,人们提出了多种拓扑结构,比较实用并已产品化的中压变频器,按其主接线可分为交—交变频和交—直—交变频两大类。而交—直—交变频又可分为中—低—中方式、中—低方式及中—中方式。按中间直流滤波环节的不同,在交—直—交变频领域中又可分为电流源型、三电平PWM电压源型(也称NeturalPointClamped中点嵌位)、单元串联多电平PWM电压源型。中压变频技术的迅速发展是建立在电力电子技术的创新、电力电子器件及材料的开发及器件制造工艺水平提高基础之上的,尤其是高压大容量GTO、IGBT、IGCT器件的成功开发,使中压大功率变频技术得以迅速发展,性能日益完善。2中压变频技术21交—交变频 交—交变频是早期中压变频的主要形式,其工作原理决定了它只能工作在低频率(20Hz以下),适应于低转速大容量的电动机负载。因其主电路开关器件处于自然关断状态,不存在强迫换流问题,所以第一代电力电子器件——晶闸管就能完全满足它的要求。由于其技术成熟,在国内开发研制也最多,目前在国内仍有一定的市场。 三相桥式交—交变频电路的每一相为反并联的可逆整流线路,只要控制信号按正弦规律变化,就可以得到近似正弦的输出波形。由于交—交变频电路实质上就是可逆整流线路,因此在直流可逆传动中的有环流、无环流等控制技术都可以采用。交—交变频利用电网电压来换流,因此它的输出电压是由电网电压中压变频技术动态与市场展望

变频器主电路图
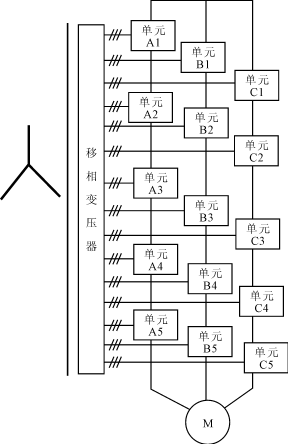
若干段“拼凑”起来的,一般最高输出频率只能是电网频率的1/3以下。 交—交变频在其主接线中需要大量的晶闸管,故结构复杂,维护工作量较大,并因采用移相控制方式,功率因数较低,一般仅有0.6~0.7,而且谐波成分大,故需要无功补偿和滤波装置,使得总的造价提高。因交—交变频采用的技术比较落后,谐波成分大、功率因数低及调速范围不宽等自身的原因,在其发展中面临着新技术的挑战,在中压大功率交流变频领域有被淘汰的趋势。22交—直—交变频 在中压变频领域交—直—交变频有多种拓扑结构,如中—低—中方式,其实质上还是低压变频,只不过是从电网和电动机两端来看是高压。因其存在着中间低压环节,故有着电流大、结构复杂、效率低、可靠性差等缺点。该方式是中压变频技术发展中的一种由低压变频向中压变频过渡的方式。由于其发展较早,技术也比较成熟,所以目前仍有广泛的应用,德国西门子、英国西枝来克公司的中压变频以此种技术为主。随着中压变频技术的发展,特别是新的大功率可关断器件的研制成功,中—低—中方式由于其自身的缺点,在今后的发展中有被逐步淘汰的趋势。而直接中压变频方式,因没有中间的低压环节,结构上有着广阔的发展前景。 以IGCT为主电路器件的ACS1000型中—中变频器的主电路如图1所示。从图中可以看到IGCT既不串联也不并联,并用两只IGCT代替传统的快速熔断器,其开断速度为传统快熔的1000倍,其逆变器也是三电平电路。由于采用IGCT,使该种结构的变频器的性能得以大幅度提高,IGCT在目前中压直接变频领域是最具有创新性和广阔发展前景的电力电子器件。交—直—交变频中的中—中方式,虽然具有损耗小、无降压与升压变压器等特点,但由于其产生大量的高次谐波,在应用中受到一定的限制。单元串联多电平形式,由于它在谐波、效率和功率因数等方面的优势,在不要求四象限运行时有着较广泛的应用前景。而三电平控制由于具有以下特点,将成为今后变频技术发展的主要趋势。1)采用三电平拓扑能有效地解决电力电子器件耐压不高的问题,由于每一个开关器件承受的关断电压仅为直流侧电压的一半,因此它适用于高电压大功率。2)三电平拓扑单个桥能输出三种电平(+Ud/2、-Ud/2、0),线(相)电压有更多的阶梯来模拟正弦波,使得输出波形失真度减少,因此谐波大为减少。3)多级电压阶梯波减少了du/dt,使对电机绕组绝缘冲击减小。4)三电平PWM方法把第一组谐波分布带移至2倍开关频率的频带区,利用电机绕组电感能较好地抑制高次谐波对电机的影响。5)三电平拓扑能产生3×3×3=27种空间电压矢量,较二电平大大增加,矢量的增多带来谐波消除算法的自由度,可得到很好的输出波形。3中压变频技术动态31多单元串联中压变频技术 国际上具有研制生产新型大功率中压变频装置能力的均是各大知名电气公司,诸如美国AB公司、罗槟康(ROBICON)公司和日本东芝公司等,并有抢占我国中压变频器市场的趋势。近年来,国内外一些公司都在研制新型“无电网污染”的高压变频器。据报道,这类变频装置具有高功率因数、高效率、无谐波污染、无需专用电机等优点,在技术上以达到国际先进水平,其三相系统主电路结构如图2所示。三相高压电经移相变压器,由其副边每相的5个二次线圈将电压分别移相12°供给5个功率单元,各功率单元电路如图3所示。为常规交—直—交电压型逆变器,输入侧为三相全桥二极管整流,中间为电容滤波环节,输出侧为IGBT单相全控形式。即在A.B两点之间得到PWM波形,5个功率单元相叠加即可输出高电压正弦波给交流感应电动机。例如每个功率单元承受电压为690V,5个单元串联后相电压为3450V,对应线电压为6000V。该装置在系统设计上采用了多项先进技术。

图3大功率逆变器单元主电路结构图

图2三相系统主电路结构图
1)逆变器直流侧通过曲折变压器移相实现30脉波整流,理论上29次以下的谐波电流都可以消除,使装置的谐波抑制能力大大加强,使电网侧电压与电流之间几乎无相移,因此功率因数可以接近于1。
2)采用IGBT作为主电路的开关器件,可以提高开关频率,以减小电流和转距的脉动。
3)全数字化光纤控制技术的应用,控制柔性和可靠性大大提高。
4)多级PWM输出波形生成技术,单元逆变桥输出PWM波形以及5级移相叠加后得到的变频器输出电压呈现电平台阶梯形逐级错开的理想状态,实现了高质量的功率输出,大大减少了输出电压的du/dt对电机绕组的冲击,在这种PWM控制方法下,器件开关频率是电机绕组的等效开关频率的10倍,以较小的器件开关损耗实现了较高的电机运行性能。
5)功率单元标准模块化,IGBT驱动电路智能化,并在功率单元电路设计中应用了功率母线技术。系统有着完善的检测及保护功能,并具有与PC机现场总线的标准接口,采用键盘操作和大屏幕液晶汉显界面。
32主流器件
中压变频技术主电路拓扑结构是随着电力电子器件的发展而不断发展的,早期产品应用的晶闸管器件已处于逐步被淘汰的趋势。GTO具有高电压、大电流的发展潜力,但驱动(关断)电路复杂,影响可靠性,J3结特性很软,耐压很低的P—N结,若GTO未处于导通状态就连续对G—K所在的J3结施加强的负门极脉冲是很危险的,因此在应用中GTO状态识别和逻辑保护是十分重要的。而采用内部MOS结构关断的GTO,因工艺复杂,目前未能实现大功率化。为实现可关断MOS结构的GTO,已开发研制出把MOS结构置于GTO外面来协助关断的IGCT。IGCT适用于大电流(1000A以上)、低频率(1000Hz以下)的应用,由于其从研制生产到应用的一系列技术受到专利的保护,在推广应用和器件竞争中未能完全取GTO。IGBT作为第三代电力电子器件,因其工作电压较低,在多电平级联式变频装置中有其广阔的发展前景。其作为主电路器件的中压变频装置具有改善输出电流波形,减少谐波对电网的污染及减少系统和电动机的电应力。IEGT是最为崭新的电力电子器件,其吸取了IGBT和GTO两者的优点,称为“注入增强栅晶体管”,它是在沟槽型IGBT基础上,把部分沟道同P区相联使发射极区注入增强,使得IEGT具有高电压大电流和高的工作频率,使其更适合于高电压大功率、高频率的变频装置。
目前,应用在中压大功率变频领域的电力电子器件,已形成GTO、IGCT、IGBT、IEGT相互竞争不断创新的局面,在大功率(1000kW),低频率(1000Hz)的传动领域,如电力牵引机车领域GTO、IGCT有着独特的优势,而在高载波频率、高斩波频率下IGBT、IEGT有着广阔的发展前景,在现阶段中压大功率变频领域将由这四种电力电子器件构成其主流器件。
33主流结构
目前就中压大功率变频器的主流结构为中—中方式及其派生的形式。
1)电压源型中—中变频器电压源型中—中变频器由整流器和逆变器两部分组成,在逆变器的直流侧并有大电容,用来缓冲无功功率,当要求输出电压高于普通PWM电压源型变频器时,可采用三电平PWM方式,以避免器件串联的动态均压问题,同时降低输出谐波du/dt。三电平PWM方式整流电路采用二极管,逆变部分功率器件采用GTO、IGBT或IGCT。每个桥臂虽由4个功率器件串联,但是不存在同时导通和关断以及由此引起的动态均压问题。由于输出相电压电平数增加到了3个,每个电平的幅值下降,且提高了谐波消除算法的自由度,可使输出波形比二电平PWM变频器有了较大的提高,输出du/dt也有所减少。若输入也采用对称的PWM结构,可以做到系统功率因数可调,输入谐波也很低,且可四象限运行。为减少输出谐波和转距脉动,希望有较高的开关频率,但会导致变频器损耗增加,效率下降。三电平变频器输出若不设滤波器,一般需要特殊电动机,若使用普通电动机应降额应用。
2)电流源型中—中变频器电流源型变频器的最大优点是电能可以回馈到电网,其结构决定由其构成的交流调速系统可实现四象限运行。由于输入侧采用桥式晶闸管整流电路,输入电流的谐波较高,功率因数低,且随着系统转速的下降而降低,另外,电流源型变频器还会产生较大的共模电压,若不采用隔离变压器,其共模电压会影响电动机的绝缘。装置的输出电流谐波也较高,会引起电动机的额外发热和转矩脉动,从而影响系统的动态指标。由于驱动功率、均压电路等固定损耗较大,系统效率会随着负载的降低而下降。采用GTO作为逆变部分功率器件,可以通过PWM开关模式来实现消除谐波电流,但系统受到GTO开关频率上限的限制,一般控制在几百Hz左右,若整流电路采用GTO作电流PWM控制,可以得到较低的输入电流谐波和较高的输出功率因数,但会使系统结构复杂和成本增加。电流源型的发展稍晚于电压源型,在主电路方面电流源型与电压源型比较有三大差别。
①逆变器的直流侧采用大电感L作为滤波元件,即直流电路具有较大的阻抗,由于L的作用,三相整流桥交流侧的输入电流为120°方波电流,同样三相逆变桥交流侧输出电流为120°方波的电流。由于L的作用,能有效地抑制故障电流的上升率实现较理想的保护特性。
②没有与逆变桥反向并联的反馈二极管桥,这里整流桥和逆变桥的电流方向始终不变,传动系统能量的再生可以通过整流桥和逆变桥的直流电压同时反向,将能量返送交流电网,因此可快速实现四象限运行,适用于频繁加减速和频繁启动的负载场合。
③逆变桥依靠逆变桥内的电容器和负载电感的谐振来换流,简化了主电路。34功率单元串联及多电平方式 在中—中变频器的主电路结构中,若采用若干个低压PWM变频功率单元串联的方式实现直接高压,单元串联的数量决定输出电压的等级,不存在着器件的均压问题。逆变器部分采用多电平移相式PWM技术,同一相的功率单元输出相同的基波电压,但串联各单元的5对载波(每对含正反向信号)之间互相错开36°,实现多电平PWM,每个功率单元的IGBT开关频率为600Hz,若每相5个功率单元串联时,等效的输出相电压开关频率为6kHz,可以降低开关的损耗,提高变频器效率,此种结构的变频器可适用于任何普通的高压电动机,且不必降额使用。虽然采用这种主电路拓扑结构会使器件的数量增加,但由于驱动功率下降,开关频率较低且不必采用均压电路,使系统在效率方面仍有较大的优势,一般可达97%。由于采用模块化结构,所有功率单元可以互换,维修也比较方便。但由于采用二极管整流电路,所以能量不能回馈电网,不能实现四象限运行,其应用领域受到一定的限制。 35功率母线技术 在电力电子技术及应用装置向高频化发展的今天,系统中特别是连接线的寄生参数产生巨大的电应力,已成为威胁电力电子装置可靠性的重要因素。从直流储能电容至逆变器的器件之间的直流母线上的寄生电感在通常的硬开关逆变器中,由于瞬时切换时的过电压,会使器件过热,甚至有时使逆变器失控并超过器件的额定安全工作区而损坏,限制了开关工作频率的提高。功率母线按其结构可分为以下几种:1)电缆绞线电缆绞线是最常用的传统功率母线,价廉、简易,但在IGBT逆变器中,由于电缆线的自感大,与园截面导线相比,扁平母线的自感只有园导线的1/3~1/2,而所占的体积只有它的1/10~1/2。2)印刷电路板印刷电路板母线主要用于小电流逆变器,但当母线直流电流达到150A时,要求电路板的复铜层很厚,造价太高,另外用来连接多层导线板的穿孔不但占据较大的空间,而且会影响整机的可靠性。
3)裸铜板母线(平面并行母线)这是一种工业上广泛应用的IGBT模块馈电系统的传统母线形式,其缺点是在于并行母线的互感较大。4)支架式母线如果将正直流母线铜板放置在负直流母线板的上方,中间用一层薄绝缘材料隔开的方法来制作母线,由于磁场的相互抵消,可以最大限 度地降低互感,但其工艺复杂,不宜规模化生产。由于上述几种功率母线都存在着不同的缺点,因此制约大功率变频器体积的小型化的进程,为此开发研制出迭层功率母线。5)迭层功率母线基于电磁场理论,把连线做成扁平截面,在同样截面下做得越薄越宽,它的寄生电感越小,相邻导线内流过相反的电流,其磁场抵消,也可使寄生电感减小,这就促使萌生迭层功率母线的思路。所谓迭层功率母线是以又薄又宽的铜排形式迭放在一起,各层之间用很薄的高绝缘强度的材料热压成一体,整个母线极之间的距离均匀一致,以减少互感,各层铜排都在所需要的端子位置处同其他层可靠绝缘地引出,使所具有不同电位的端子表露在同一平面上,以便于把主电路中的所有器件与之相连。这种整体的迭层功率母线结构,可承受数百kg的切应力,其导电极之间可承受数kV的电压。使用迭层功率母线将IGBT和整流管等模块、散热器、电容器及栅极驱动电路组合在一起,迭层功率母线与器件之间的连接是用不同的端子和插接件等来完成的,以使相连接时的接触表面与母线之间的接触电阻非常小,也使得寄生电感成数量级地减小,从而使Ldi/dt的过电压应力降至最低,保证电力电子装置工作在最佳状态。4市场分析 我国发电量的50%~60%用于交流电动机,而容量在315kW以上的(其额定电压一般为3~10kV),电动机占电动机总装机容量的40%~50%。由于我国中压变频技术仍没有形成产业化,落后于国外发达国家,因此这部分电动机在负载工况变化时,缺少经济可靠的调速手段,每天都在浪费着大量的电能,因此国内潜在着巨大的中压大功率变频器市场。世界上各大知名的电气公司,如西门子、ABB、AB、AEG、东芝等,都在这一领域展开激烈的竞争,投入大量的人力、物力和财力,开发研制高性能的产品,以抢占我国中压大功率变频器的市场。国家计委预计在今后十五年内,我国变频器总需求的投资额在500亿元以上,而其中60%~70%是中压大功率变频器。
我国的高压变频器市场有其特殊性,其使用环境、用户特点与国外差别较大,归纳起来有以下几点:
1)行业性很强,主要集中在冶金、电力、供水、石油、化工、煤炭等行业。在工业用电中石油、煤炭等能源行业耗电占22.34%;化工占14.73%;冶金占14.18%;机械建材占10.96%;供水占10.53%。
2)上述行业中大都为国有控股企业,定购产品涉及动力、计划、技术改造等部门,购买决策周期长。
3)一次性投资购买设备金额较大,若能采用卖方信贷、租赁、节能效益还款等方式促销,会使用户更快接收。
4)各类负载工况差异大,使用经验相对少。
5)目前全国各行业中,只有少数企业的高压电机使用了调速方式,市场空白点多。
6)政府行为和市场的不确定性。高压变频器属投资类设备,主要用于节能和改善生产工艺。用户是否购买此类设备与政府的政策导向关系很大。如政府推广力度较大,市场启动会快一些,反之则慢。另一方面市场还受国际、国内经济大环境的影响及国内用户(某些行业)整体经济效益好坏的影响。因此,在未来市场发展过程中仍存在着一些不确定的因素。
7)海外跨国公司知名品牌产品大举进入我国市场的可能性较大,各方应有所准备。
我们如果不能在这场竞争中研制开发出自己的创新产品,并形成产业化生产规模,并加大推广应用力度,那么我们将把国内几百亿元的中压大功率变频器市场让给国外各大电气公司,其结果是由国外各大电气公司垄断我国中压大功率变频器技术及市场,那时我国在这一领域的技术和产品将是“万国型”。因此研制国产中压大功率变频器,就必须走产学研联合创新之路,才能形成产业化的规模。而要从技术创新走向产业成功的路,并没有一个固定模式和规律让我们去遵循,而是需要在市场经济的竞争中穿插、协调,把人的智慧、技术、和社会的资金及产品在市场上的推广应用的网络有机地结合,形成技术创新、推广应用、网络服务,以此推动国产中压大功率变频器走向市场,并占领市场形成全新的规模化的朝阳产业。